
LM2576S-3.3 - 南皇電子長期提供競爭力的價格、訂貨及技術支持,TI代理穩定貨源。
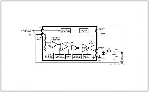
圖片信息

基本技術信息:
技術參數詳解:

LM2576系列其它相關的型號

LM2576S-3.3應用手冊下載(TI公司友情提供,點擊標題進行下載):

與LM2576S-3.3配合設計使用的核心器件(本司都有現貨):


買到真正的LM2576S-3.3原裝貨 - 來自全球授權的LM2576代理商、原廠貨源 - 深圳市南皇電子有限公司
深圳市南皇電子有限公司 - LM2576S-3.3 - LM2576公司芯片現貨領導代理商
深圳市南皇電子有限公司致力成為中國領先的IC供應商現貨庫存優化處理專家,一站式電子元器件采購增值配套,快速響應您的報價請求
除LM2576外,我司還在以下品牌具有優勢:Weidmuller | Walsin | TXC | Transphorm | Telit |